正确率80.0%
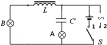
为了测量储罐中不导电液体的高度,将与储罐外壳绝缘的两块平行金属板构成的电容$${{C}}$$置于储罐中,电容$${{C}}$$可通过开关$${{S}}$$与电感$${{L}}$$或电源相连,如图所示当$${{S}}$$从$${{a}}$$拨到$${{b}}$$时,$${{L}{C}}$$电路中产生振荡电流$${{.}}$$则$${{(}{)}}$$
A.当储罐中的液面上升时,电容器的电容减小
B.当储罐中的液面上升时,振荡电流的频率减小
C.当$${{S}}$$从$${{a}}$$拨到$${{b}}$$的瞬间,线圈中的电流最大
D.当$${{S}}$$从$${{a}}$$拨到$${{b}}$$的瞬间,电容器中的电场能最小
2、['电磁振荡的产生', '电磁振荡中的能量变化']正确率80.0%
某$${{L}{C}}$$振荡电路在正常工作,某一时刻回路中的电流沿顺时针方向,且此时上极板带正电如图所示。假设此时电流的大小为$${{i}}$$,两板间的电势差用$${{U}}$$表示,电容器所带的电荷量用$${{q}}$$表示,线圈中的磁场能用$${{E}_{B}}$$表示,线圈周围的磁感应强度用$${{B}}$$表示。则此时$${{(}{)}}$$
A.$${{i}}$$和$${{E}_{B}}$$都在逐渐增大
B.$${{U}}$$正在增大
C.$${{q}}$$正在减小
D.$${{B}}$$正在增强
3、['电磁振荡中的能量变化']正确率80.0%如图甲所示为$${{L}{C}}$$振荡电路,电跻中的电流$${{i}}$$随时间$${{t}}$$的变化规律为图乙所示的正弦曲线,下列说法正确的是$${{(}{)}}$$
A.在$${{t}_{2}{~}{{t}_{3}}}$$时间内,电流逐渐减小
B.在$${{t}_{1}{~}{{t}_{2}}}$$时间内,电容器$${{C}}$$正在充电
C.$${{t}_{2}}$$和$${{t}_{4}}$$时刻,电容器极板带电情况完全相同
D.电路中电场能随时间变化的周期等于$${{t}_{4}}$$
4、['电磁振荡的产生', '电磁振荡中的能量变化']正确率80.0%
规定图甲$${{L}{C}}$$振荡电路中逆时针方向的电流为正,$${{M}}$$是电容器的上极板。从某时刻起记录图甲中的电流随时间变化的关系如图乙所示。则图像乙中的$${{a}{~}{b}}$$段对应电路甲中的$${{(}{)}}$$
A.$${{M}}$$板带正电
B.$${{M}}$$板的带电量在变大
C.线圈$${{L}}$$中的磁场能在变大
D.线圈$${{L}}$$的自感电动势在变大
5、['电磁振荡的产生', '电磁振荡中的能量变化']正确率40.0%如图所示为$${{L}{C}}$$回路中电流随时间变化的图像,规定回路中顺时针电流方向为正. 在$${{t}{=}{T}}$$时,对应的电路是图中的()
D
A.
B.
C.
D.
正确率60.0%如图,为$${{L}{C}}$$振荡电路中电容器极板上所带电量随时间变化的$${{q}{−}{t}}$$图象,下面判断正确的是()
C
A.$${{t}_{1}}$$时刻,振荡电路中的电流最大
B.$${{t}_{2}}$$时刻,电容器C两极板间电势差最大
C.$${{t}_{3}}$$时刻电感线圈三中磁场的磁感应强度正在减小
D.从$${{t}_{4}}$$到$${{t}_{5}}$$过程中,磁场能逐渐转化为电场能
7、['电容对交变电流的影响', '电感对交变电流的影响', '电磁振荡中的能量变化']正确率40.0%如图所示电路中,$${{L}}$$是一个不计直流电阻的电感线圈,直流电源$${{1}}$$的电压值与交流电源$${{2}}$$电压有效值相等,$${{S}}$$是单刀双掷开关,$${{C}}$$是电容器,$${{R}}$$是定值电阻,$${{A}{、}{B}}$$是完全相同的小灯泡,则下列叙述正确的有$${{(}{)}}$$
A
A.开关$${{S}}$$与$${{1}}$$接通时,灯$${{B}}$$逐渐变亮
B.开关$${{S}}$$与$${{2}}$$接通后,灯$${{B}}$$的亮度比开关与$${{1}}$$接通稳定后灯$${{B}}$$的亮度高
C.开关$${{S}}$$与$${{2}}$$接通后,$${{B}}$$发光,而$${{A}}$$不发光
D.若将电源$${{2}}$$换成一个既含有高频信号又含有低频信号的信号源,则当开关与$${{2}}$$接通时,通过$${{B}}$$灯的主要是高频信号
8、['电磁振荡的产生', '电磁振荡中的能量变化', '对楞次定律的理解及应用', '电容器']正确率60.0%如图所示,甲所示的$${{L}{C}}$$振荡电路中,通过$${{P}}$$点的电流变化规律如图乙,且把通过$${{P}}$$点向右的电流方向规定为乙图中坐标$${{i}}$$的正方向,则$${{(}{)}}$$
C
A.$$0. 5 \sim1 \; s$$的时间内,电容器$${{C}}$$正在放电
B.$$0. 5 \sim1 \; s$$的时间内,$${{C}}$$的上板带正电
C.$${{1}{∼}{{1}{.}{5}}{s}}$$时间内,$${{Q}}$$点比$${{P}}$$点电势高
D.$${{1}{∼}{{1}{.}{5}}{s}}$$时间内,磁场能正在向电场能转化
9、['电磁振荡中的能量变化']正确率80.0%
振荡电路在测量、自动控制、无线电通讯及遥控等许多领域有广泛应用。如图甲所示的$${{L}{C}}$$振荡电路中,电容器上的电荷量随时间的变化规律如图乙所示,$${{t}{=}{{0}{.}{3}}{s}}$$时的电流方向如图甲所示,下列说法正确的是$${{(}{)}}$$
A.在$${{0}{~}{{0}{.}{5}}{s}}$$内,电容器在放电
B.在$${{t}{=}{{0}{.}{8}}{s}}$$时,$${{P}}$$点电势比$${{Q}}$$点高
C.在$$1. 0 \sim1. 5 s$$内,电场能正在转化成磁场能
D.在$$1. 5 s \sim2. 0 s$$内,振荡电路中的电流在减小
10、['电磁振荡的产生', '电磁振荡中的能量变化']正确率80.0%如图$${{1}}$$所示的无线话筒是一个将声信号转化为电信号并发射出去的装置,其内部电路中有一部分是$${{L}{C}}$$振荡电路。若话筒使用时,某时刻,话筒中$${{L}{C}}$$振荡电路中磁场方向如图$${{2}}$$所示,且电流正在减小,下列说法正确的是$${{(}{)}}$$
A.电容器正在放电
B.电容器下板带正电
C.俯视看,线圈中电流沿顺时针方向
D.电场能正在向磁场能转化
1. 解析:
选项分析:
A. 液面上升时,电容器极板间的介电常数增大,电容$$C$$增大,故A错误。
B. 振荡频率$$f = \frac{1}{2\pi\sqrt{LC}}$$,电容$$C$$增大时,频率减小,故B正确。
C. 开关从$$a$$拨到$$b$$瞬间,电容器开始放电,但电流从零开始增大,故C错误。
D. 开关拨到$$b$$瞬间,电容器开始放电,电场能转化为磁场能,电场能最小,故D正确。
答案:BD
2. 解析:
根据题意,电流顺时针且上极板带正电,说明电容器正在放电。
A. 放电过程中$$i$$和磁场能$$E_B$$增大,故A正确。
B. 放电时$$U$$减小,故B错误。
C. 放电时$$q$$减小,故C正确。
D. 电流增大时,磁感应强度$$B$$增强,故D正确。
答案:ACD
3. 解析:
选项分析:
A. $$t_2 \sim t_3$$时间内电流减小,故A正确。
B. $$t_1 \sim t_2$$时间内电流反向增大,电容器充电,故B正确。
C. $$t_2$$和$$t_4$$时刻电流方向相反,极板带电情况相反,故C错误。
D. 电场能变化周期为$$\frac{T}{2}$$,即$$\frac{t_4}{2}$$,故D错误。
答案:AB
4. 解析:
$$a \sim b$$段电流为负且减小,说明电容器正在充电:
A. 电流方向逆时针,下极板带正电,故A错误。
B. 充电时$$q$$增大,故B正确。
C. 充电时磁场能转化为电场能,磁场能减小,故C错误。
D. 电流变化率增大,自感电动势$$E = -L\frac{di}{dt}$$增大,故D正确。
答案:BD
5. 解析:
$$t = T$$时电流为零且将反向增大,说明电容器充电完成:
A. 电流为零,电场能最大,对应选项C(上极板带正电)。
答案:C
6. 解析:
选项分析:
A. $$t_1$$时刻$$q$$最大,电流为零,故A错误。
B. $$t_2$$时刻$$q$$为零,但电流最大,电势差为零,故B错误。
C. $$t_3$$时刻$$q$$增大,电流减小,磁感应强度减小,故C正确。
D. $$t_4 \sim t_5$$过程中$$q$$增大,磁场能转化为电场能,故D正确。
答案:CD
7. 解析:
选项分析:
A. 开关与1接通时,电感阻碍电流变化,灯B逐渐变亮,故A正确。
B. 交流电源下电容通交流,灯B更亮,故B正确。
C. 与2接通后,A灯被电容隔直,不发光,故C正确。
D. 高频信号主要通过电容,低频信号通过B灯,故D错误。
答案:ABC
8. 解析:
选项分析:
A. $$0.5 \sim 1 \, \text{s}$$电流增大,电容器放电,故A正确。
B. 电流方向为正(向右),说明下极板带正电,故B错误。
C. $$1 \sim 1.5 \, \text{s}$$电流减小,线圈自感电动势阻碍电流减小,Q点电势更高,故C正确。
D. 此阶段电场能增大,磁场能转化为电场能,故D正确。
答案:ACD
9. 解析:
选项分析:
A. $$0 \sim 0.5 \, \text{s}$$内$$q$$减小,电容器放电,故A正确。
B. $$t = 0.8 \, \text{s}$$时$$q$$增大,电流逆时针,P点电势更高,故B正确。
C. $$1.0 \sim 1.5 \, \text{s}$$内$$q$$减小,电场能转化为磁场能,故C正确。
D. $$1.5 \sim 2.0 \, \text{s}$$内$$q$$增大,电流减小,故D正确。
答案:ABCD
10. 解析:
根据右手定则,电流方向顺时针,且电流减小,说明电容器正在充电:
A. 充电过程,故A错误。
B. 电流顺时针方向,下极板带正电,故B正确。
C. 俯视电流顺时针,故C正确。
D. 充电时磁场能转化为电场能,故D错误。
答案:BC
.jpg)